Inspiration Übersicht Referenzen Haus-Konfigurator Fotomontage Bautipps
Produkte Übersicht Dach Fassade Dachentwässerung Solar Hochwasserschutz Bänder & Bleche
Services Übersicht Haus-Konfigurator Fotomontage Prospekte bestellen Angebot anfordern Garantiezertifikat anfordern Förderungen Messen & Schauräume Fragen & Antworten für Verarbeiter für Architekten
Vorteile Übersicht Baustoff Aluminium Spezialthemen
Unternehmen Übersicht Über uns Karriere News Presse
Kontakt Übersicht Ihr Ansprechpartner Kontaktformular Prospekte bestellen Newsletter abonnieren
Referenzen Übersicht Referenzobjekte Architektur Highlights Sanierungsgalerie
Bautipps Übersicht Dachsanierung Fassadensanierung Fassadengestaltung Holz & Aluminium Fassaden Dacheindeckung für Ihr neues Dach Solar-Anlagen einfach erklärt Aludach in Ziegeloptik
für Verarbeiter Übersicht Handwerker-Portal / Mein PREFA-Login Academy Lehrverlegung: Unterstützung vor Ort Verlegerichtlinien & Videos Online-Ratgeber & Werbematerial
für Architekten Übersicht PREFARENZEN erleben Events für Architekten Architekturbuch & Architektenordner bestellen Downloadcenter BIM
Baustoff Aluminium Übersicht 40 Jahre Garantie Nachhaltigkeit Komplettsystem Sturmsicher Unwetterschutz
Spezialthemen Übersicht Brandschutz Denkmalschutz Dachgeschoßausbau Kommunalbauten: Kirchen, Schulen, Kindergärten ... Dacheindeckung neu gedacht Charakterstarke Fassaden
Über uns Übersicht Zahlen und Fakten Unsere Werte und Ziele Nachhaltigkeit
Karriere Übersicht Offene Jobs PREFA als Arbeitgeber Lehre bei PREFA NEU: Spengler:in PLUS Lehre
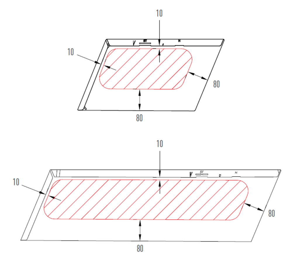
Sollten Sie etwas an die Fassade montieren (wie z. B. Lampen), achten Sie bei der Montage auf den zulässigen Montagebereich der Wandschindeln. Ist das Einhalten des Montagebereiches nicht möglich, ist eine Unterlagsplatte einzufalzen.
Es können nur Inhalte aus einer Produktkategorie heruntergeladen werden. Falls Sie Inhalte aus mehreren Kategorien benötigen, erstellen Sie bitte für jeden Produktbereich einen separaten Download.