Hinweis
Dieses Kapitel ist aufgrund abweichender nationaler Regelwerke für Deutschland und die Schweiz nicht anwendbar. Für weitere Informationen kontaktieren Sie bitte die Produkttechnik der jeweiligen Länder!
Die Befestigung mittels Fest- und Schiebehaften erfolgt nach statischer Erfordernis. Nationale Normen und Fachregeln können hierzu abweichende Vorgaben aufweisen und sind zu berücksichtigen. In nachstehenden Tabellen finden Sie die Angabe der Mindesthaftanzahl [Stück/m²] in Abhängigkeit von Geländekategorie, Gebäudehöhe und Basiswindgeschwindigkeit.
Die angegebenen Mindesthaftanzahlen berücksichtigen einen Teilsicherheitsbeiwert von 1,35 und sind als theoretisch ermittelte Werte zu verstehen. R = Randbereich (Außendruckbeiwert cpe = –2,9), N = Normalbereich (Außendruckbeiwert = –1,3).
Geländekategorie II
Basisgeschwindigkeitsdruck [kN/m²] |
Basisgeschwindigkeit [m/sec] |
Gebäudehöhe < 15 [m] |
Gebäudehöhe 15-30 [m] |
Gebäudehöhe 30-50 [m] |
N | R [Stk./m²] |
N | R [Stk./m²] |
N | R [Stk./m²] |
||
≤ 0,32 |
≤ 22,5 |
3,7 | 8,2 |
4,3 | 9,7 |
4,9 | 10,9 |
≤ 0,39 |
≤ 25,0 |
4,5 | 10,0 |
5,3 | 11,8 |
6,0 | 13,3 |
≤ 0,47 |
≤ 27,5 |
5,4 | 12,0 |
6,4 | 14,2 |
7,2 | 16,1 |
≤ 0,56 |
≤ 30,0 |
6,4 | 14,3 |
7,6 | 16,9 |
8,6 | 19,1 |
Geländekategorie III
Basisgeschwindigkeitsdruck [kN/m²] |
Basisgeschwindigkeit [m/sec] |
Gebäudehöhe < 15 [m] |
Gebäudehöhe 15-30 [m] |
Gebäudehöhe 30-50 [m] |
N | R [Stk./m²] |
N | R [Stk./m²] |
N | R [Stk./m²] |
||
≤ 0,32 |
≤ 22,5 |
3,1 | 7,0 |
3,8 | 8,5 |
4,4 | 9,9 |
≤ 0,39 |
≤ 25,0 |
3,8 | 8,5 |
4,7 | 10,4 |
5,4 | 12,0 |
≤ 0,47 |
≤ 27,5 |
4,6 | 10,2 |
5,6 | 12,5 |
6,5 | 14,5 |
≤ 0,56 |
≤ 30,0 |
5,5 | 12,2 |
6,7 | 14,9 |
7,7 | 17,3 |
Geländekategorie IV
Basisgeschwindigkeitsdruck [kN/m²] |
Basisgeschwindigkeit [m/sec] |
Gebäudehöhe < 15 [m] |
Gebäudehöhe 15-30 [m] |
Gebäudehöhe 30-50 [m] |
N | R [Stk./m²] |
N | R [Stk./m²] |
N | R [Stk./m²] |
||
≤ 0,32 |
≤ 22,5 |
2,2 | 5,0 |
2,9 | 6,4 |
3,5 | 7,8 |
≤ 0,39 |
≤ 25,0 |
2,7 | 6,0 |
3,5 | 7,9 |
4,3 | 9,5 |
≤ 0,47 |
≤ 27,5 |
3,3 | 7,3 |
4,2 | 9,5 |
5,2 | 11,5 |
≤ 0,56 |
≤ 30,0 |
3,9 | 8,7 |
5,1 | 11,3 |
6,1 | 13,7 |
Die angegebenen Mindesthaftanzahlen berücksichtigen einen Teilsicherheitsbeiwert von 1,35 und sind als theoretisch ermittelte Werte zu verstehen. R = Randbereich (Außendruckbeiwert cpe = –2,9), N = Normalbereich (Außendruckbeiwert = –1,3).
Geländekategorie II
Basisgeschwindigkeitsdruck [kN/m²] |
Basisgeschwindigkeit [m/sec] |
Gebäudehöhe < 15 [m] |
Gebäudehöhe 15-30 [m] |
Gebäudehöhe 30-50 [m] |
N | R [Stk./m²] |
N | R [Stk./m²] |
N | R [Stk./m²] |
||
≤ 0,32 |
≤ 22,5 |
4,2 | 9,3 |
4,9 | 10,9 |
5,5 | 12,4 |
≤ 0,39 |
≤ 25,0 |
5,1 | 11,3 |
6,0 | 13,3 |
6,8 | 15,1 |
≤ 0,47 |
≤ 27,5 |
6,1 | 13,6 |
7,2 | 16,1 |
8,1 | 18,2 |
≤ 0,56 |
≤ 30,0 |
7,3 | 16,2 |
8,6 | 19,1 |
9,7 | 21,6 |
Geländekategorie III
Basisgeschwindigkeitsdruck [kN/m²] |
Basisgeschwindigkeit [m/sec] |
Gebäudehöhe < 15 [m] |
Gebäudehöhe 15-30 [m] |
Gebäudehöhe 30-50 [m] |
N | R [Stk./m²] |
N | R [Stk./m²] |
N | R [Stk./m²] |
||
≤ 0,32 |
≤ 22,5 |
3,5 | 7,9 |
4,3 | 9,6 |
5,0 | 11,2 |
≤ 0,39 |
≤ 25,0 |
4,3 | 9,6 |
5,3 | 11,7 |
6,1 | 13,6 |
≤ 0,47 |
≤ 27,5 |
5,2 | 11,6 |
6,3 | 14,1 |
7,4 | 16,4 |
≤ 0,56 |
≤ 30,0 |
6,2 | 13,8 |
7,6 | 16,9 |
8,8 | 19,5 |
Geländekategorie IV
Basisgeschwindigkeitsdruck [kN/m²] |
Basisgeschwindigkeit [m/sec] |
Gebäudehöhe < 15 [m] |
Gebäudehöhe 15-30 [m] |
Gebäudehöhe 30-50 [m] |
N | R [Stk./m²] |
N | R [Stk./m²] |
N | R [Stk./m²] |
||
≤ 0,32 |
≤ 22,5 |
2,5 | 5,6 |
3,3 | 7,3 |
4,0 | 8,9 |
≤ 0,39 |
≤ 25,0 |
3,1 | 6,8 |
4,0 | 8,9 |
4,8 | 10,8 |
≤ 0,47 |
≤ 27,5 |
3,7 | 8,2 |
4,8 | 10,7 |
5,8 | 13,0 |
≤ 0,56 |
≤ 30,0 |
4,4 | 9,8 |
5,7 | 12,8 |
6,9 | 15,5 |
Hinweis
Der Haftabstand darf unabhängig der berechneten Werte im Festhaftbereich 330 mm und im Schiebehaftbereich 500 mm nicht überschreiten. Im Bereich von auf die Fälze geklemmten Einrichtungen (Schneeschutz, PV-Unterkonstruktion, Dachsicherheit) darf der Haftabstand 330 mm nicht überschreiten!
Berechnung des Haftabstandes auf Basis der Scharenbreite sowie der erforderlichen Haftanzahl/m²:
100 : (Scharenbreite [m] × Haftanzahl [Stk./m²]) = Haftabstand [cm] [max. Haftabstand 50 cm, max. Festhaftabstand 33 cm]
Anmerkung
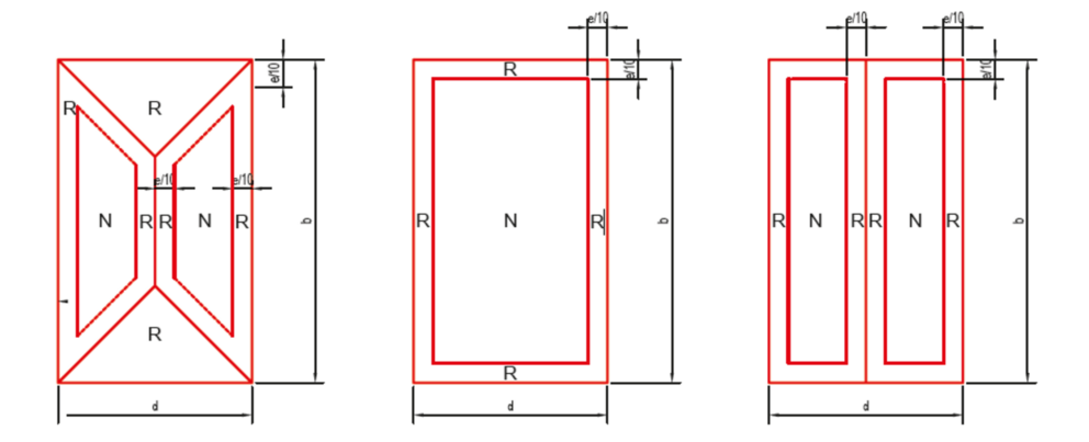
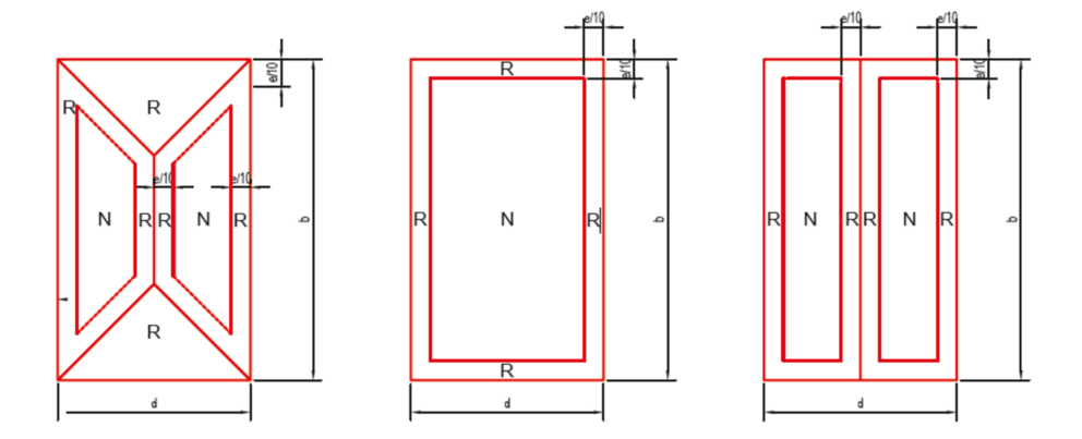
e = b oder 2*h (der kleinere Wert ist maßgebend) – Abstand bezieht sich auf die Grundfläche
ed = Abstandsmaß auf Dachfläche; ed= (e/10) / (cos)
b = größte Gebäudebreite
h = größte Gebäudehöhe
a = Dachneigung
Beispiel
Standort |
Innsbruck |
|---|---|
Gebäude in Geländekategorie |
II |
Größte Gebäudehöhe |
10,5 m |
Basisgeschwindigkeit |
27,1 m/sec |
Max. Scharenbreite lt. Tabelle 1 |
43 cm |
Haftanzahl für Randbereich lt. Tabelle 2 |
12,0 Stk./m² |
Haftanzahl für Normalbereich lt. Tabelle 2 |
5,4 Stk./m² |
Randbereich (R) = 100 : (0,43 m × 12,0 Stk./m²) = 19,4 cm → 19 cm Haftabstand [max. Haftabstand 50 cm, max. Festhaftabstand 33 cm]
Normalbereich (N) = 100 : (0,43 m × 5,4 Stk./m²) = 43,1 cm → 43 und 33 cm Haftabstand [max. Haftabstand 50 cm, max. Festhaftabstand 33 cm]
Es können nur Inhalte aus einer Produktkategorie heruntergeladen werden. Falls Sie Inhalte aus mehreren Kategorien benötigen, erstellen Sie bitte für jeden Produktbereich einen separaten Download.